PRODUCT CENTER
所有產品
高度計
分辨力0.001mm。
內置1800mAh大容量可充電鋰電池。
內置無線數據傳輸。


| 最小讀數 | 0.001mm |
| 測量速度 | 最大5000mm/s |
| 外部輸出 | USB Type-C |
| 顯示器 | 綠色高亮數碼管 |
| 工作環境 | 溫度:0~40°C 濕度:20~80% |
| 單位 | mm/inch可切換 |
| 電源 | 輸入:AC 100~240V 50~60Hz 輸出:DC 5V/1A |
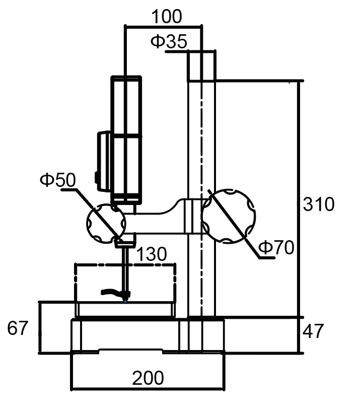
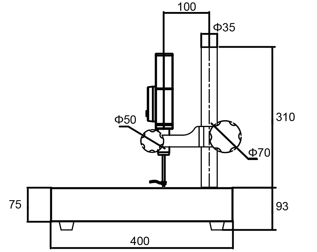
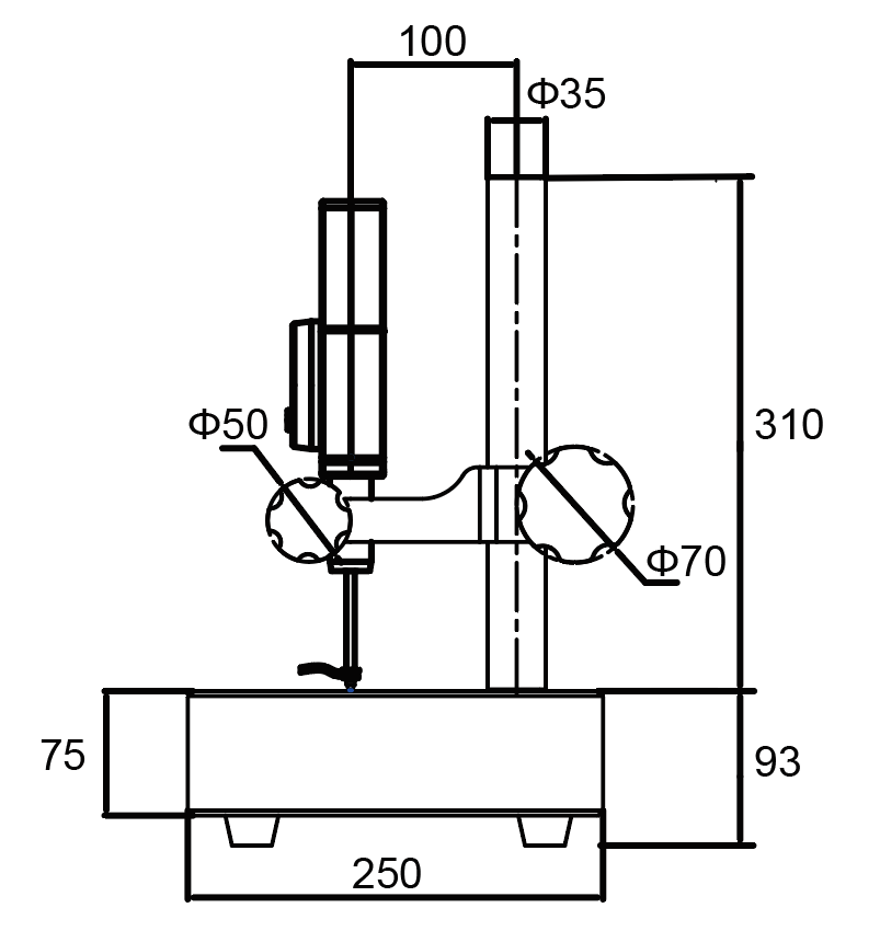
| 貨號 | 測量范圍 | 精度@20℃ | 重復精度@20℃ | 測量力 | 臺架 | 重量 |
|---|---|---|---|---|---|---|
| 632-12-010 | 0-50mm/0-1.969" | ≤0.003mm | ≤0.001mm | ≤1.2N | 130mm×130mm陶瓷 | 11.6kg |
| 632-12-210 | 0-50mm/0-1.969" | ≤0.003mm | ≤0.001mm | ≤1.2N | 400mm×300mm花崗巖 | 35.0kg |
| 632-12-410 | 0-50mm/0-1.969" | ≤0.003mm | ≤0.001mm | ≤1.2N | 250mm×200mm花崗巖 | 21.0kg |
| 632-14-010 | 0-100mm/0-3.937" | ≤0.004mm | ≤0.002mm | ≤1.6N | 130mm×130mm陶瓷 | 11.6kg |
| 632-14-210 | 0-100mm/0-3.937" | ≤0.004mm | ≤0.002mm | ≤1.6N | 400mm×300mm花崗巖 | 35.0kg |
| 632-14-410 | 0-100mm/0-3.937" | ≤0.004mm | ≤0.002mm | ≤1.6N | 250mm×200mm花崗巖 | 21kg |




